(11) 2283-2405
(11) 93311 3328
Rua Dr. César, 383 - Cj. 01 - Santana - São Paulo
Home
A C.A FER
Produtos
Brocas Metal Duro
Cabeçotes de Fresamento
Fresas Metal Duro
Fresas Metal Duro 55HRC
Instrumentos de Medição
Limas Rotativas
Suporte para Torneamento
Discos de corte, abrasivos em geral
Produtos Dormer
Produtos Insize
Produtos BTfixo
Acessórios em Geral
Blog
Solicitar Orçamento
Contato
Home
A C.A FER
Brocas Metal Duro
Cabeçotes de Fresamento
Fresas Metal Duro
Fresas Metal Duro 55HRC
Instrumentos de Medição
Limas Rotativas
Suporte para Torneamento
Discos de corte, abrasivos em geral
Produtos Dormer
Produtos Insize
Produtos BTfixo
Acessórios em Geral
Blog
Solicitar Orçamento
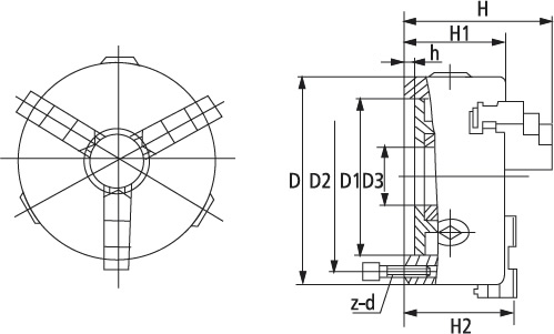
BTFIXO
Placa Autocentrante com 3 Castanhas Monobloco
Solicite um orçamento.
Desenho Técnico:
Tabela Técnica:
voltar