Pino de Fixação - Mitsui

Solicite um orçamento.

Cód.: Mitsui


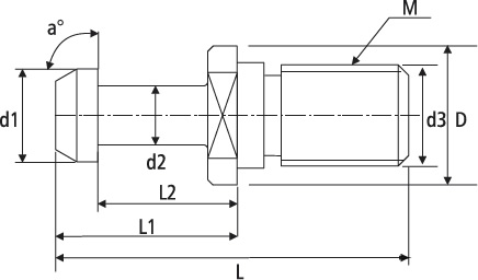
    Desenho Técnico:




    Tabela Técnica: