
Solicite um orçamento.
Cód.: CHM-80
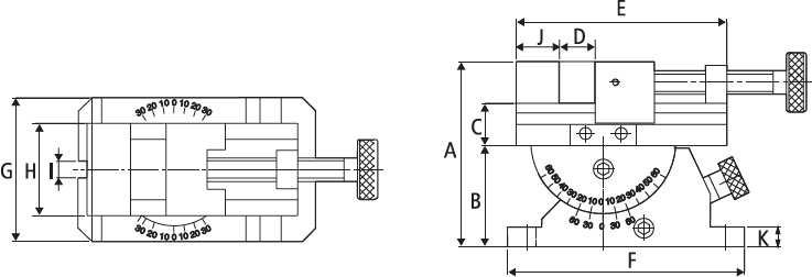
Morsa de alta precisão construída em aço temperado HRC 55.
Graduação de alta precisão para uma leitura correta do grau.
Angulação na horizontal de até 360° e 45° na vertical.
Os movimentos angulares e basculantes desta morsa, a tornam ideais para utilização em superfícies planas ou inclinadas, utilizada para furação angular em diversos tipos de máquinas assim como em retífi cas, fresadoras, eletroerosões, etc.