
Solicite um orçamento.
Cód.: HY-3, 4, 5
Material de altíssima qualidade, durável e contra quebras, ferro dúctil 80,000 PSI.
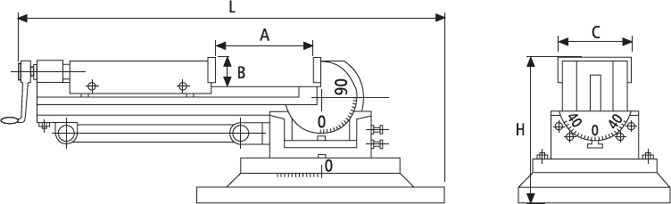
A morsa pode ser elevada por 90°, da posição horizontal a vertical, também pode fazer movimento basculante do ângulo mais baixo ajustado na base até 45° em ambos lados esquerdo e direito.
Podem ser alcançados ângulos em três direções.
A base giratória é 360° e graduada em graus.
A morsa pode ser fixada seguramente em qualquer das três direções ajustáveis.