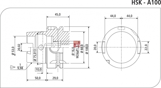
Desenho Técnico - DIN 69893 - HSK-A100

Solicite um orçamento.