Cone ISO30 Porta Pinça OZ-20 L1=63mm - BTFixo

- Cone utiliza porca modelo: OZ
- Encaixe: ISO 30 – DIN 2080
- Porta Pinça ISO
- Utiliza Pinça OZ-20

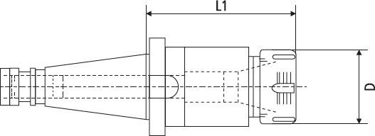
Dimensões:
- D: 50mm
- L1: 63mm


    Desenho Técnico:




voltar